✔智能高效
先进的三电平电路拓扑,最大转换效率达99%
直流电压范围宽,最高达850V
先进的控制算法,恒流、恒压、恒功率等多种运行模式可选
具备离网输出功能
支持110%额定功率长时过载运行,120%额定功率短时过载能力
智能风冷稳定运行
✔经济友好
超高功率密度,同等功率体积更小
一体化设计,便于运输和集成
支持多机交直流并联、灵活扩容
独立模块化架构、便捷维护
✔安全可靠
完备的电池保护与维护策略,提高蓄电池使用寿命
过流、过温、过载、过压、短路、防雷接地等保护
具备零电压、高电压穿越功能,电网适应能力强
高性能DSP,优化控制电路设计,系统更稳定
适应低温、高湿度、高海拔的严苛环境
✔智慧互联
支持RS485、Ethemet、CAN通信方式,可实时接受BMS指令
支持 MODBUS-RTU /MODBUS-TCP/CAN2.0B/
产品介绍
科力源电气推出全新一代基于三电平拓扑结构的的储能双向变流器,具有高转换效率、高功率密度、高度集成化的特点,安全可靠、应用灵活,可根据客户需求进行定制化集成,满足客户个性化需求。
工作原理
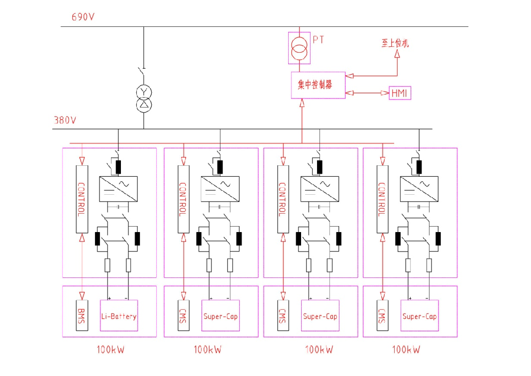
储能电源装置整体由4个支路组成,第一支路为100 kW 电池支路,第二至第四支路各为100 kW 超容支路。集中控制器用于对整个系统进行统一管理,进行功率输出控制,充分发挥超级电容器及锂电池各自的性能;超级电容器用于快速功率支撑作用,解决功率输出不稳定等问题;锂电池用于大容量储能,提供稳定长时间的功率支撑;PCS用于将电容器及锂电池中的电能进行快速的转换,或进行快速充电。超容管理系统与电池管理系统对超容电容器与电池的电流电压及运行状态进行采集并进行监控。
(储能变流器PCS工作拓扑图)
工作模式
(1) 并网模式
并网模式下包括充电功能和放电功能,此时用户可以选择自动模式和手动模式。在自动模式下,如果用户选择并网充电或放电状态,储能逆变器将以之前设定好的值对蓄电池进行充电或放电。在手动模式下,用户可以通过手动修改充电或放电电流、电压和时间值,使储能逆变器工作在设定的充电或放电状态。
并网模式中,储能逆变器连接在一个大容量公用电网中,大容量是指该电网的总容量至少比储能逆变器容量大10倍以上。并网模式的主要特征是储能逆变器必须与存在的电网频率同步。要做到与电网同步,储能逆变器相对于电网来说作为一个电流源。有些情况下,储能逆变器必须能通过无功控制为电网提供电压支持。该模式常用于削峰填谷、电力负载平衡和调节电能质量。
(2) 离网模式
孤岛系统是一个或多个发电系统并联形成一个局部的“微网”。孤岛系统的主要特征是局部电网与所有的大电网脱离,储能系统的额定功率与局部电网产生的总功率大致相等。在这个系统中,储能系统必须可以充当网路电源,给局部电网提供电压和频率控制。另一方面,如果一个发电装置不能与其他发电装置同步,比如一个柴油发电机连接在局部电网上,那么储能系统必须作为一个电源之同步。有些情况下,储能系统还要在作为电源和与发电装置同步之间转换。
孤岛系统的特征是储能系统与局部电网相连,这些情形可能存在于偏远山区或小岛屿。常见应用包括平滑由可变电源或可变负载引起的功率波动,稳定电网,优化燃料的使用和调节电能质量。
(3) 混合模式
储能系统能够在并网模式和离网模式之间进行切换。储能系统处于微网中,微网与公共电网接,正常工作状态下作为并网系统运行如果微网与公共电网脱离,储能系统将工作在离网模式为微网提供主电源。常见应用包括滤波,稳定电网,调节电能质量和创造自愈网。
